您當前的位置:首頁 > 產品中心 > WP蝸輪蝸桿減速機
詳細介紹:
東莞臺機減速機有限公司(臺灣天機牌)生產廠家銷售的WPX蝸輪減速機,WPX蝸桿減速機,臥式WPX蝸輪蝸桿減速機廣泛應用于包裝機械,印刷機械,紡織機械,木工機械,塑料機械,化工機械,運輸設備,清洗設備,環保設備,起重設備,輕工設備,重工設備等自動化機械。
WPX蝸輪減速機,WPX蝸桿減速機,臥式WPX蝸輪蝸桿減速機的作用主要有:
1、降速同時提高輸出扭矩,扭矩輸出比例按電機輸出乘減速比,但要注意不能超出減速機額定扭矩。
2、減速同時降低了負載的慣量,慣量的減少為減速比的平方。大家可以看一下一般電機都有一個慣量數值。

WPX蝸輪減速機,WPX蝸桿減速機,臥式WPX蝸輪蝸桿減速機使用維護方法
1、安裝時請不要對減速機輸出部件,箱體施加壓力,聯接時請滿足機械與減速機之間的同軸度與垂直度的相應要求。
2、減速機初始運行至400小時應重新更換潤滑油,其后的換油周期約為4000小時。
3、減速機箱體內應保留足夠的潤滑油量,并定時檢查。
4、注意保持減速機外觀清潔,及時清除灰塵、污物以利于散熱。
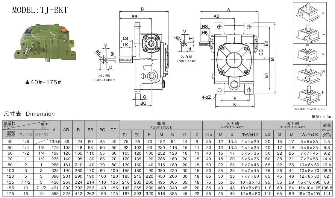
以下是WPX蝸輪減速機,WPX蝸桿減速機,臥式WPX蝸輪蝸桿減速機型號選型表



















